硬汉嵌入式论坛

 找回密码
 立即注册
查看: 3453|回复: 2
收起左侧

[客户分享] 【绝对开眼】刺绣计算机,纺织无线电毛衣

[复制链接]

1万

主题

7万

回帖

11万

积分

管理员

Rank: 9Rank: 9Rank: 9

积分
119439
QQ
发表于 2019-1-17 01:57:48 | 显示全部楼层 |阅读模式
说明:
1、刺绣计算机是使用金属刺绣材料制作的可编程8位机,该作品仅由各种金属线,磁铁,玻璃和金属珠子构成,另外此项目由奥地利科学基金会资助。
2、从技术上讲,该产品由(纺织)继电器组成,类似于半导体发明之前的早期计算机。金材料具有导电性,排列成特定的图案以实现相应功能。
3、作者是一位研究员和艺术家,很多作品在大型的国际展会和博物馆都有展出过。

纺织过程视频展示:
https://v.qq.com/x/page/t08281riga2.html

纺织继电器细节:
Bead_single.gif
DSC_4931_grayer_w-1024x684.jpg

刺绣计算器和墙上的连接图:
MG_0505_w-683x1024.jpg

操作中的刺绣计算机,根据给出的指令执行计算并切换继电器
3.gif

刺绣计算机细节
99.jpg
999.jpg
9999.jpg


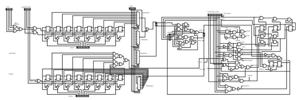
刺绣计算机的逻辑示意图
logic-diagram-controll-unit-1_small-1024x338.jpg


整体效果
MG_0502_w-1024x683.jpg


作者的作品很多,这里再展示一个纺织探针
ezgif.com-gif-maker-1.gif
2.jpg
3.jpg
4.jpg
5.jpg
6.jpg
7.jpg

又比如纺织无线电毛衣。
羊毛,绝缘铜线和用不锈钢纺制的丝纱可用于编织电阻器,电容器和线圈,以形成简易的FM无线电发射器。
vogue_cover_2-1024x684.png
just_pattern-copy-1024x638 (2).png















回复

使用道具 举报

0

主题

11

回帖

11

积分

新手上路

积分
11
发表于 2019-1-17 13:42:37 | 显示全部楼层
真是有趣呀!


回复

使用道具 举报

14

主题

207

回帖

254

积分

高级会员

积分
254
发表于 2019-1-18 10:07:31 | 显示全部楼层
确实是艺术家
回复

使用道具 举报

您需要登录后才可以回帖 登录 | 立即注册

本版积分规则

QQ|小黑屋|Archiver|手机版|硬汉嵌入式论坛

GMT+8, 2025-11-22 17:46 , Processed in 0.039733 second(s), 27 queries .

Powered by Discuz! X3.4 Licensed

Copyright © 2001-2023, Tencent Cloud.

快速回复 返回顶部 返回列表